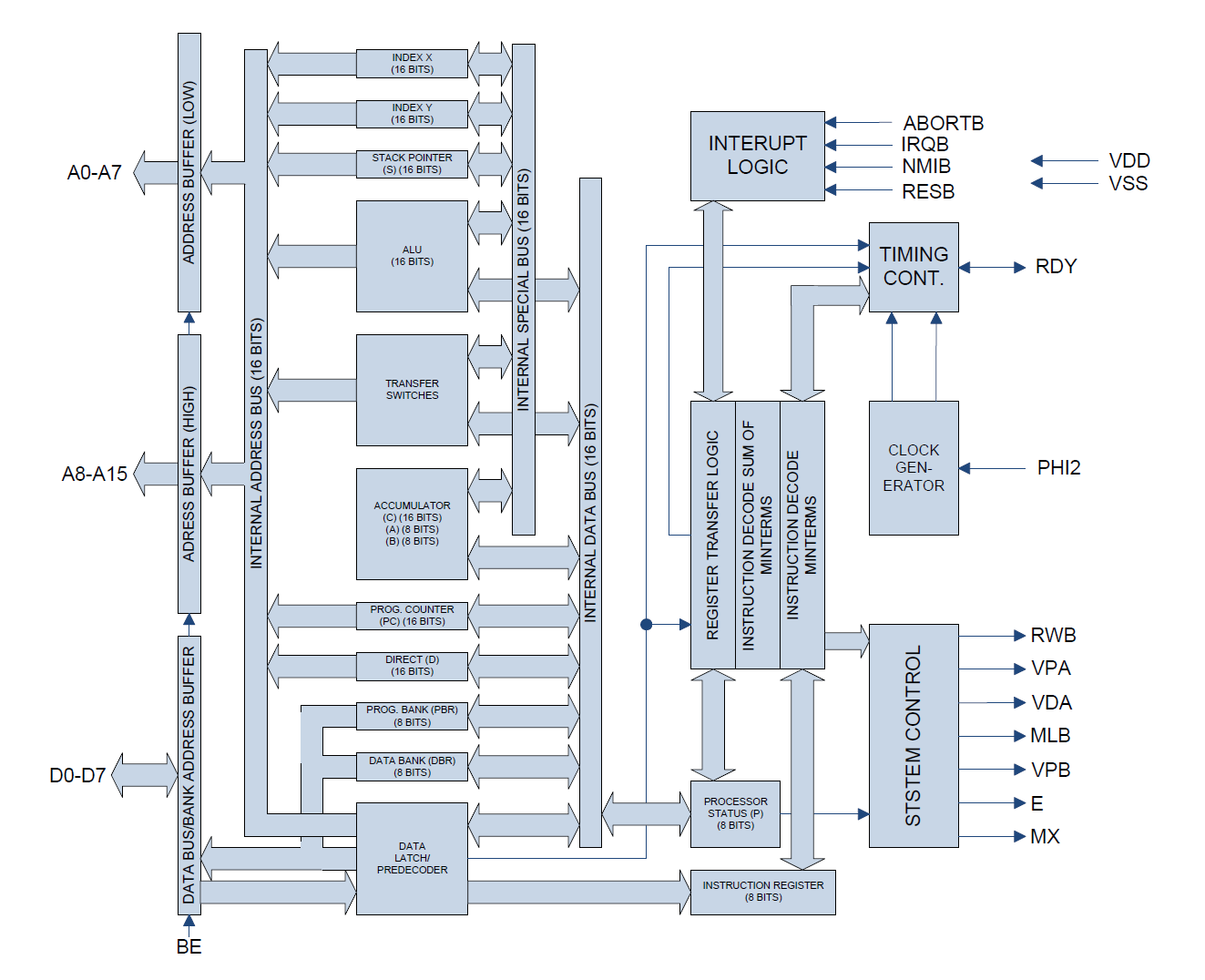
Unidade Lógica Aritmética - ALU - Curso de Assembly com Snes e Mega Drive. Parte 12.
Descrição: Neste vídeo falo sobre a Unidade Lógica Aritmética presente dentros das CPUs. É na Alu que as operações aritméticas e lógicas são feitas, como soma, subtração, and, or, xor, not, shfit, rotate, etc.